變量型輪葉泵

變量輪葉泵浦

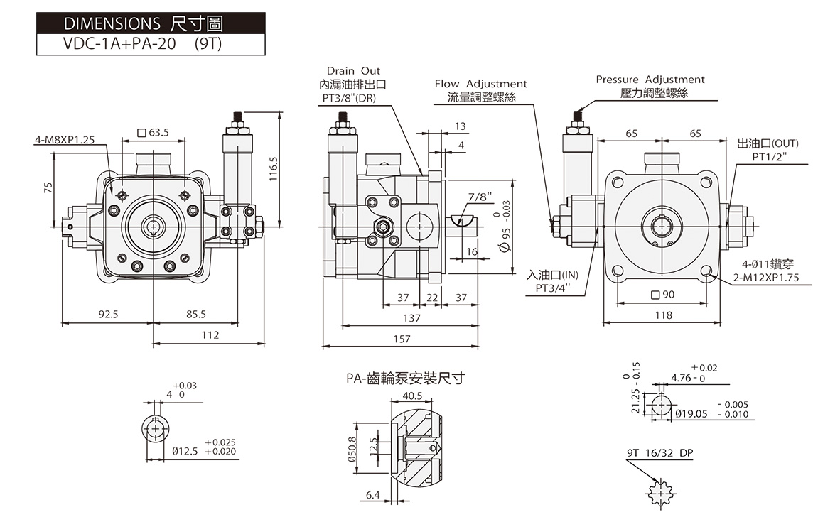
變量型輪葉泵 / 高壓變量 + 齒輪泵 / 高壓變量 + 齒輪泵 VDC + PA

產品特點
  • 低價位、高壓力、結構簡單、配管維修容易
  • 大流量、省馬力、體積小,可節省空間
  • 最高工作壓力 210 kgf/cm² ( 3000psi )
  • 低噪音、不易生熱、耐磨耗
  • 變量泵與 gear pump 採取直結式同一軸心組合
型號 調壓型式 安裝方式 標準排量
l/min ( 1800rpm )
壓力調整範圍
kgf/cm²
齒輪泵 設計號碼
VDC- * -* * * -PA - *
VDC-1 A:規格品
B:外接型
C:卸載型
F : 法蘭型
L : 腳座型
20
25
30
40
A : 15~35 kgf/cm²
B : 20~70 kgf/cm²
C : 50~105 kgf/cm²
D : 70~140 kgf/cm²
HGP
-2A
2~12
20:平鍵
9T:花鍵
9TS:無軸套
VDC-2 54 20 : 平鍵
70 最高壓力 : 105 kgf/cm²
86 最高壓力 : 70 kgf/cm²
重量 / 型號 VDC-1A.1B VDC-2A.2B VDC-1C VDC-2C
重量 kgf ( lbs ) F : 法蘭型 10.7 kg 26.5 kg 11.4 kg 27.5 kg
L : 腳座型 13.9 kg 33.2 kg 14.7 kg 34.2 kg

重量不含後端齒輪泵
最高轉數 : 1800 r / min
最低轉數 : 800 r / min

線上詢問