定量型輪葉泵

定量型輪葉泵

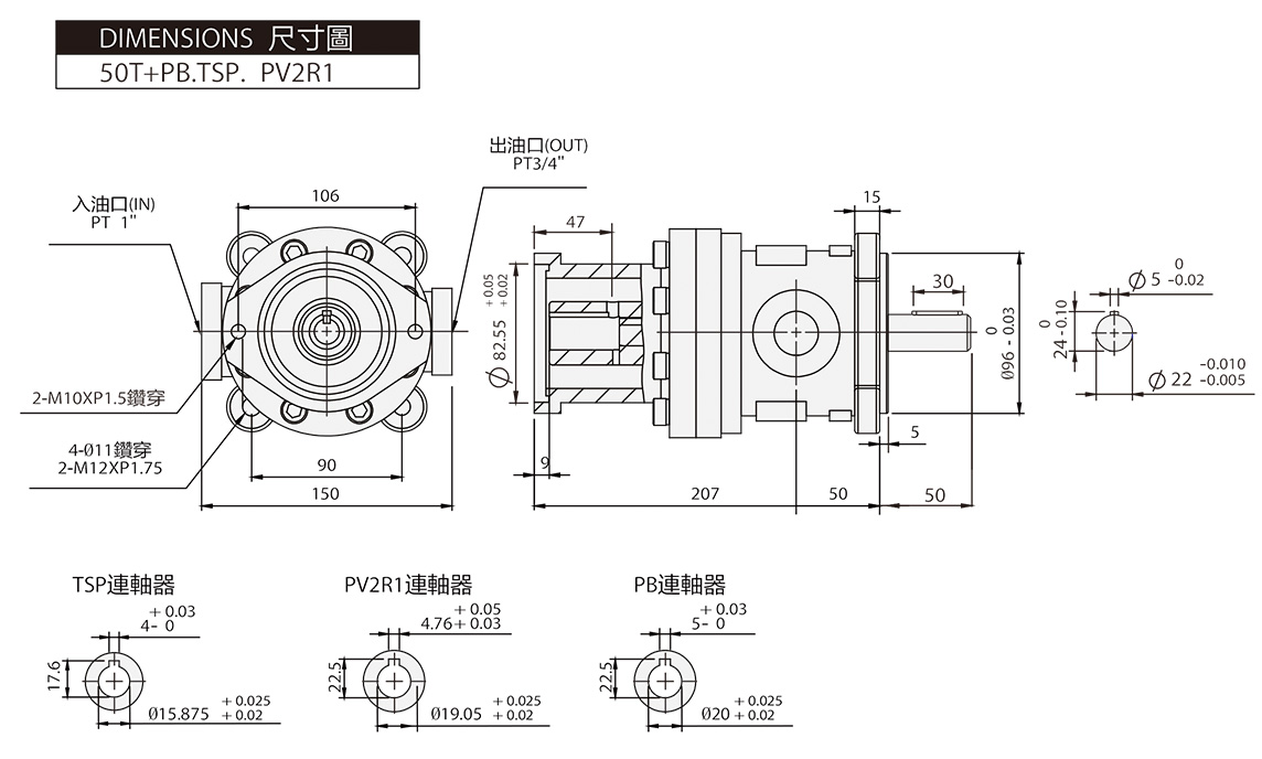
定量型輪葉泵 / 高低壓雙聯定量 / 高低壓雙連泵 50T + ( PA. PB )

產品特點
  • 此泵浦是採用大流量、低噪音、高容積效率設計
  • 此系列泵浦加一個小流量 Gear pump 組合,可構成高低壓泵、省馬力能力
  • 同一軸心,採用單一電氣馬達安裝配管高低壓迴路系統較為容易
型號 軸端
(c.c/rew)
安裝方式 迴轉方向 出油口 ( 軸端 ) 蓋端
(c.c/rew)
吐出量
(c.c/rew)
軸端
50T -* * * * -* -* -*
50T 7.12.14.17.
20.23.26.30.
36.40.43
F : 法蘭型
L : 腳座型
Foot
R : 正轉
L : 反轉
R : 右邊
L : 左邊 ( 規格品 )
PA 2 ~ 12 X:Ø19.05
10:Ø22
PB.TSP 8 ~ 30
重量 / 型號 50T+PA 50T+PB
重量 kgf F : 法蘭型 10.2 kg 11.7 kg
L : 腳座型 11.2 kg 12.5 kg

PA PB 重量不含後端齒輪泵

線上詢問